item:
Сайт работает в тестовом режиме
ДОМКРАТ РЕЕЧНЫЙ ДР-5 (ЧЕХИЯ)
ДОМКРАТ РЕЕЧНЫЙ ДР-5 (ЧЕХИЯ) ДОМКРАТ РЕЕЧНЫЙ ДР-5 (ЧЕХИЯ)

Категория: Домкраты путевые

ДОМКРАТ РЕЕЧНЫЙ ДР-5 (ЧЕХИЯ)

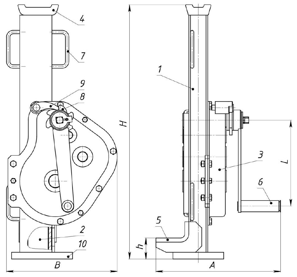
Реечный домкрат ДР-5 (Чехия) грузоподъемностью 5 тонн используется на железной дороге для подъемки рельсошпальной решетки. В общепромышленных целях используется для подъема и перемещения различных грузов или объектов. Опорой для подъема может служить как лапа, так и головка домкрата. Технические характеристики домкрата реечного ДР-5 (Чехия): Масса — 22,3 кг; Размер (д/ш/в) — 200×240×765 мм; Грузоподъемность — на головку 5 т / на лапу 3,5 т; Усилие на рукоятке — 550 Н; Высота от подошвы до лапы — 85 мм; Рабочий ход — 360 мм.

Для получения информации о наличии и условиях поставки свяжитесь с нами:
📞 +998 88 566 33 33   |   ✉ remar.tools@gmail.com
← Вернуться в каталог