item:
Сайт работает в тестовом режиме
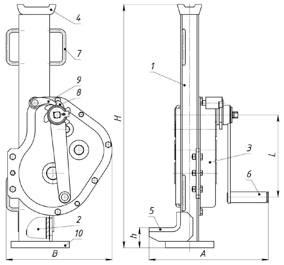
ДОМКРАТ РЕЕЧНЫЙ ДР-8М
ДОМКРАТ РЕЕЧНЫЙ ДР-8М ДОМКРАТ РЕЕЧНЫЙ ДР-8М

Категория: Домкраты путевые

ДОМКРАТ РЕЕЧНЫЙ ДР-8М

Реечный домкрат ДР-8М грузоподъемностью 8 т используется для подъема разных грузов, на железной дороге - для подъема рельсошпальной решетки. Опорой для подъема может служить лапа и голова домкрата. Домкрат изготавливается по ТУ 4834-013-00210757-2001. Технические характеристики домкрата реечного ДР-8М: Масса — 39 кг; Размер (д/ш/в) — 300×350×710 мм; Максимальная грузоподъемность — 8 т; Усилие на рукоятке домкрата — 200 (20) Н (кгс); Высота от подошвы до грузовой лапы — 90 мм; Рабочий ход — 350 мм; Высота подхвата (высота от подошвы до лапы) — не менее 90 мм.

Для получения информации о наличии и условиях поставки свяжитесь с нами:
📞 +998 88 566 33 33   |   ✉ remar.tools@gmail.com
← Вернуться в каталог