item:
Сайт работает в тестовом режиме
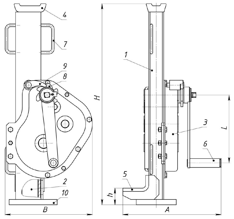
ДОМКРАТ РЕЕЧНЫЙ ДР-20
ДОМКРАТ РЕЕЧНЫЙ ДР-20 ДОМКРАТ РЕЕЧНЫЙ ДР-20

Категория: Домкраты путевые

ДОМКРАТ РЕЕЧНЫЙ ДР-20

Реечный домкрат ДР-20 грузоподъемностью 20 т используется для подъема разных грузов, на железной дороге - для подъема рельсошпальной решетки. Опорой для подъема может служить лапа и голова домкрата. Домкрат изготавливается по ТУ 4834-013-00210757-2001. Технические характеристики домкрата реечного ДР-20: Масса — 90 кг; Размер (д/ш/в) — 320×400×900 мм; Максимальная грузоподъемность — 20 т; Усилие на рукоятке домкрата — 300 (30) Н (кгс); Высота от подошвы до грузовой лапы — 105 мм; Рабочий ход — 300 мм; Высота подхвата (высота от подошвы до лапы) — не более 105 мм.

Для получения информации о наличии и условиях поставки свяжитесь с нами:
📞 +998 88 566 33 33   |   ✉ remar.tools@gmail.com
← Вернуться в каталог