item:
Сайт работает в тестовом режиме
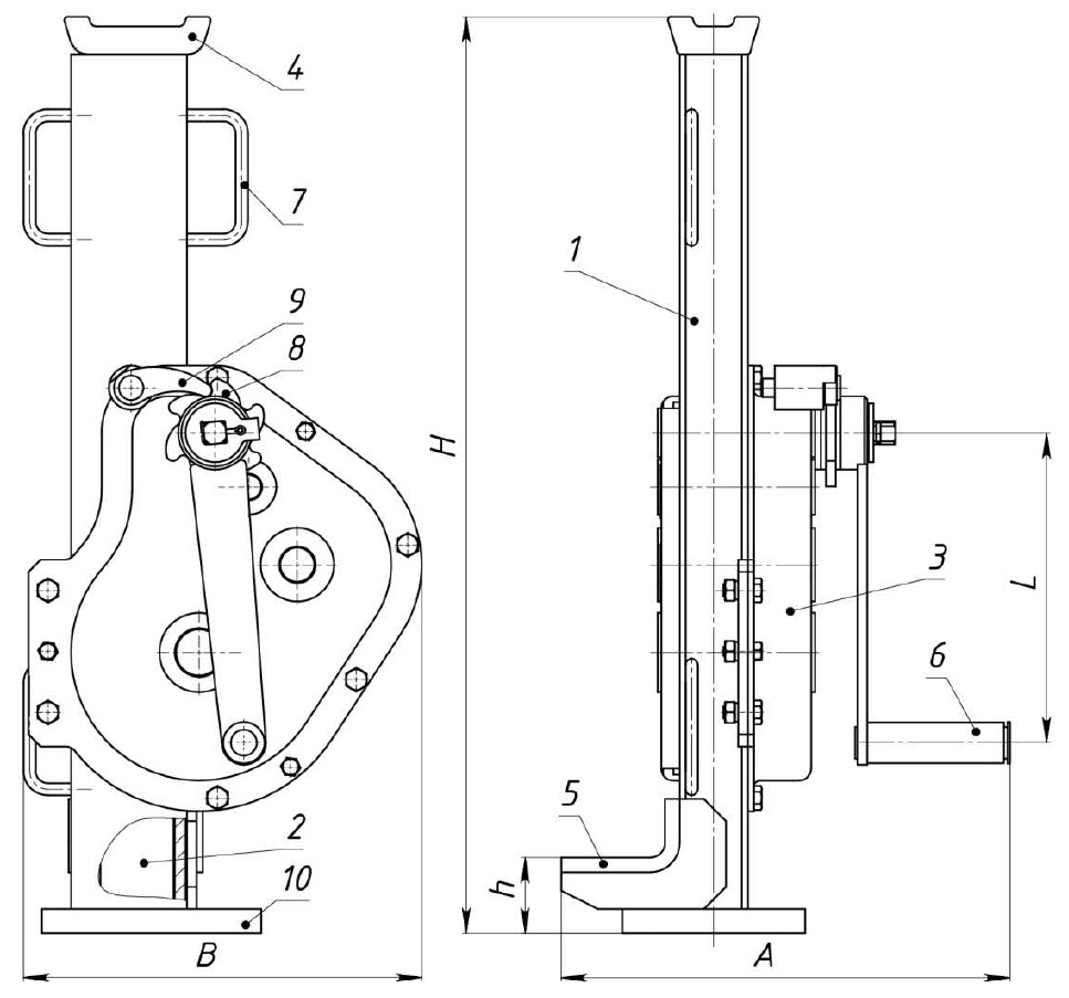
ДОМКРАТ РЕЕЧНЫЙ ДР-10
ДОМКРАТ РЕЕЧНЫЙ ДР-10 ДОМКРАТ РЕЕЧНЫЙ ДР-10 ДОМКРАТ РЕЕЧНЫЙ ДР-10 ДОМКРАТ РЕЕЧНЫЙ ДР-10 ДОМКРАТ РЕЕЧНЫЙ ДР-10 ДОМКРАТ РЕЕЧНЫЙ ДР-10 ДОМКРАТ РЕЕЧНЫЙ ДР-10

Категория: Домкраты путевые

ДОМКРАТ РЕЕЧНЫЙ ДР-10

Реечный домкрат ДР-10 грузоподъемностью 10 т используется для подъема разных грузов, на железной дороге - для подъема рельсошпальной решетки. Опорой для подъема может служить лапа и голова домкрата. Домкрат изготавливается по ТУ 4834-013-00210757-2001. Технические характеристики домкрата реечного ДР-10: Масса — 44 кг; Размер (д/ш/в) — 245×200×795 мм; Максимальная грузоподъемность — 10 т; Усилие на рукоятке домкрата — 270 (27) Н (кгс); Высота от подошвы до грузовой лапы — 25 мм; Рабочий ход — 350 мм; Высота подхвата (высота от подошвы до лапы) — не более 25 мм.

Для получения информации о наличии и условиях поставки свяжитесь с нами:
📞 +998 88 566 33 33   |   ✉ remar.tools@gmail.com
← Вернуться в каталог