item:
Сайт работает в тестовом режиме
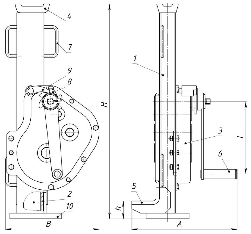
ДОМКРАТ РЕЕЧНЫЙ ДР-5 С НИЗКОЙ ЛАПОЙ (КИТАЙ)
ДОМКРАТ РЕЕЧНЫЙ ДР-5 С НИЗКОЙ ЛАПОЙ (КИТАЙ) ДОМКРАТ РЕЕЧНЫЙ ДР-5 С НИЗКОЙ ЛАПОЙ (КИТАЙ)

Категория: Домкраты путевые

ДОМКРАТ РЕЕЧНЫЙ ДР-5 С НИЗКОЙ ЛАПОЙ (КИТАЙ)

Реечный домкрат ДР-5 с низкой лапой грузоподъемностью 5 тонн используется на железной дороге для подъемки рельсошпальной решетки. В общепромышленных целях используется для подъема и перемещения различных грузов или объектов. Опорой для подъема может служить как лапа, так и головка домкрата. Технические характеристики домкрата реечного ДР-5 с низкой лапой (Китай): Масса — 32,4 кг; Размер (д/ш/в) — 170×202×737–1095 мм; Грузоподъемность — на головку 5 т / на лапу 3,5 т; Усилие на рукоятке — 613 Н; Высота от подошвы до лапы — 28–380 мм; Рабочий ход — 352 мм.

Для получения информации о наличии и условиях поставки свяжитесь с нами:
📞 +998 88 566 33 33   |   ✉ remar.tools@gmail.com
← Вернуться в каталог